咨询热线15725685099
作为全球*大雇主排行榜第十位的富士康,携手阿里14亿布局机器人行业,*有新闻报道出3C机器人未来5年需求或达30万台,可见机器人是未来发展趋势。从*初的普铣到现在的数控铣床

加工中心 铣螺纹可以通过多种方法实现,本文就加工中心通用铣螺纹宏程序工作原理、优势及案例分享。 工作原理 使用G03/G02三轴联动走螺旋线,刀具沿工件表面(孔壁或圆柱外表)切

本文主要就卧式加工中心编程实例端盖讲解,端盖是一种常见的加工工件,加工工序包括铣平面、镗孔、钻孔、扩孔、攻螺纹等多种工序。 1.确定工艺方案及工艺路线 (1)分析图纸,确

加工中心加工内螺纹一般有两种方法:攻丝和铣螺纹。但是螺纹加工的问题如果解决不好,就会影响加工效率和被加工零件的加工精度。加工中心由于其生产效率及加工精度高、加工质

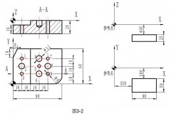
1、工艺分析 本实例中零件图及毛坯位置图如图3-2所示,其中,#1、#2、#5、#6、#7、#8、孔深10mm,#3、#4、#9为通孔。由于零件较小,外形规则,采用平口钳装夹即可,选择以下四种刀具进
